Jenbacher Kompressor

Hier könnt ihr euren Motor oder euer Fahrzeug vorstellen. Egal ob restauriert oder nicht!

Moderatoren: MotorenMatze, meisteradam, Junkersonkel

wolfgangmarek
Beiträge: 695
Registriert: So 2. Okt 2011, 10:35
Meine Motoren: Grüss Gott, ich denke 35 verschiedene sind genug

Jenbacher Kompressor

Beitrag von wolfgangmarek »

Grüss Gott, mein Neuzugang: Jenbacher Kompressor Luftgekühlt-- die nächste Winterarbeit--ein Bekannter der mit auf der Ausstellung in der Domäne Groschwitz war sagte mir, dass sein Bruder einen JW bekommen hat, Interesse?: na Klar- jetzt habe ich Ihn... Gruss Wolfgang
Benutzeravatar
motorenbau
Spezialist für Motorenbau / Motorenhersteller
Beiträge: 1825
Registriert: Di 2. Feb 2010, 22:12
Meine Motoren: Junkers 2HK65
Sendling SG
Sendling MS II
Sendling WS308 (2 Stück)
Sendling D12
Ebbs & Radinger G
Renauer RAX R
HMG Glühkopf 6PS
CL Conord C.11
Pineau&Ragot Type A
Deutz MAH711 Pumpenaggregat
Farymann ER
Holder Piccolo mit Sachs Stamo 6
Sachs Stamo 160
und diverse Landmaschinen und Traktoren
Wohnort: Wolfegg
Kontaktdaten:

Re: Jenbacher Kompressor

Beitrag von motorenbau »

Hallo

Ein JW 220 KL?

Gruß
Christian
http://www.motorenbau.eu
Mitglied M033 in der Interessengemeinschaft historische Motoren Deutschland (IG-HM)
wolfgangmarek
Beiträge: 695
Registriert: So 2. Okt 2011, 10:35
Meine Motoren: Grüss Gott, ich denke 35 verschiedene sind genug

Re: Jenbacher Kompressor

Beitrag von wolfgangmarek »

Grüss Gott, richtig- Baujahr 1964- Hast du Unterlagen?... Gruss Wolfgang
Benutzeravatar
motorenbau
Spezialist für Motorenbau / Motorenhersteller
Beiträge: 1825
Registriert: Di 2. Feb 2010, 22:12
Meine Motoren: Junkers 2HK65
Sendling SG
Sendling MS II
Sendling WS308 (2 Stück)
Sendling D12
Ebbs & Radinger G
Renauer RAX R
HMG Glühkopf 6PS
CL Conord C.11
Pineau&Ragot Type A
Deutz MAH711 Pumpenaggregat
Farymann ER
Holder Piccolo mit Sachs Stamo 6
Sachs Stamo 160
und diverse Landmaschinen und Traktoren
Wohnort: Wolfegg
Kontaktdaten:

Re: Jenbacher Kompressor

Beitrag von motorenbau »

Hallo

Ich glaube schon, aber noch nicht gescannt...

Gruß
Christian
http://www.motorenbau.eu
Mitglied M033 in der Interessengemeinschaft historische Motoren Deutschland (IG-HM)
bolzendreher
Beiträge: 43
Registriert: Do 17. Jun 2010, 12:48
Meine Motoren: Herford DNS
Herford DNSB Funktionsmodell im Maßstab 1:10
Sendling ? Benzin
Sendlin ? Diesel
Deutz E12 <== Original und funktionsfähiges Modell
Deutz ? Diesel
NEO <== Original und funktionsfähiges Modell
Bernard ? Benzin

Re: Jenbacher Kompressor

Beitrag von bolzendreher »

Hallo Wolfgang,

hättest evtl. Interesse an einem 2.ten als Teileträger? mein Kollege möchte seinen vermutlich verschrotten, der Motor geht immer wieder fest, wenn er ne Zeit lang läuft, und er braucht Öl.

Kann nachher mal schauen was für einer es ist, und was er will.

Grüße

Clemens
wolfgangmarek
Beiträge: 695
Registriert: So 2. Okt 2011, 10:35
Meine Motoren: Grüss Gott, ich denke 35 verschiedene sind genug

Re: Jenbacher Kompressor

Beitrag von wolfgangmarek »

Grüss Gott, Danke für dein Angebot, aber ich habe noch einen Wassergekühlten Jenbacher im Rückhalt... Danke Gruss Wolfgang
bolzendreher
Beiträge: 43
Registriert: Do 17. Jun 2010, 12:48
Meine Motoren: Herford DNS
Herford DNSB Funktionsmodell im Maßstab 1:10
Sendling ? Benzin
Sendlin ? Diesel
Deutz E12 <== Original und funktionsfähiges Modell
Deutz ? Diesel
NEO <== Original und funktionsfähiges Modell
Bernard ? Benzin

Re: Jenbacher Kompressor

Beitrag von bolzendreher »

Hallo zusammen,

das sind ja irgendwie 2-Kolben Motoren, einer zum antreiben und einer zum Pumpen, und alles in einem Gehäuse, ist das richtig?

Muss ihn mir doch noch mal genauer anschauen...

Grüße

Clemens
Benutzeravatar
motorenbau
Spezialist für Motorenbau / Motorenhersteller
Beiträge: 1825
Registriert: Di 2. Feb 2010, 22:12
Meine Motoren: Junkers 2HK65
Sendling SG
Sendling MS II
Sendling WS308 (2 Stück)
Sendling D12
Ebbs & Radinger G
Renauer RAX R
HMG Glühkopf 6PS
CL Conord C.11
Pineau&Ragot Type A
Deutz MAH711 Pumpenaggregat
Farymann ER
Holder Piccolo mit Sachs Stamo 6
Sachs Stamo 160
und diverse Landmaschinen und Traktoren
Wohnort: Wolfegg
Kontaktdaten:

Re: Jenbacher Kompressor

Beitrag von motorenbau »

Hallo

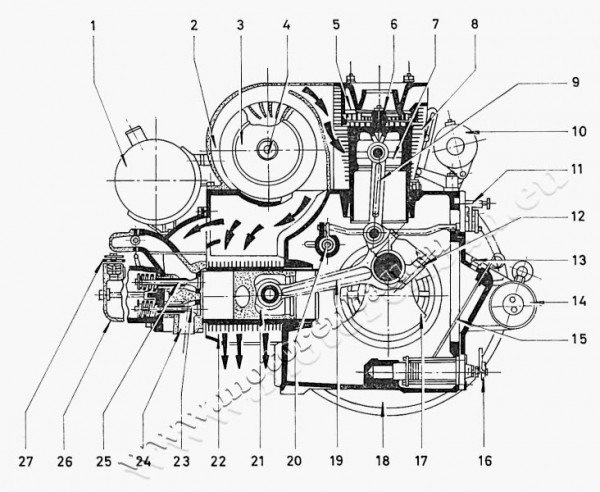
Schon mal zur Einstimmung auf die Bedienungsanleitung vom Jenbach JW220KL:
Schnittbild Jenbach Dieselkompressor JW 220 KL
Schnittbild Jenbach Dieselkompressor JW 220 KL
JW220KL.jpg (77.84 KiB) 4715 mal betrachtet
Der liegende Zylinder ist der eigentliche Dieselmotor, der stehende ist der Kompressorzylinder.

Gruß
Christian
http://www.motorenbau.eu
Mitglied M033 in der Interessengemeinschaft historische Motoren Deutschland (IG-HM)
Benutzeravatar
motorenbau
Spezialist für Motorenbau / Motorenhersteller
Beiträge: 1825
Registriert: Di 2. Feb 2010, 22:12
Meine Motoren: Junkers 2HK65
Sendling SG
Sendling MS II
Sendling WS308 (2 Stück)
Sendling D12
Ebbs & Radinger G
Renauer RAX R
HMG Glühkopf 6PS
CL Conord C.11
Pineau&Ragot Type A
Deutz MAH711 Pumpenaggregat
Farymann ER
Holder Piccolo mit Sachs Stamo 6
Sachs Stamo 160
und diverse Landmaschinen und Traktoren
Wohnort: Wolfegg
Kontaktdaten:

Re: Jenbacher Kompressor

Beitrag von motorenbau »

JW220KL Beschreibung.jpg
JW220KL Beschreibung.jpg (101.21 KiB) 4714 mal betrachtet
http://www.motorenbau.eu
Mitglied M033 in der Interessengemeinschaft historische Motoren Deutschland (IG-HM)
bolzendreher
Beiträge: 43
Registriert: Do 17. Jun 2010, 12:48
Meine Motoren: Herford DNS
Herford DNSB Funktionsmodell im Maßstab 1:10
Sendling ? Benzin
Sendlin ? Diesel
Deutz E12 <== Original und funktionsfähiges Modell
Deutz ? Diesel
NEO <== Original und funktionsfähiges Modell
Bernard ? Benzin

Re: Jenbacher Kompressor

Beitrag von bolzendreher »

Hallo Christian,

danke für die Infos.

Hm, dann muss ich ihn vielleicht doch noch selbst vor der Verschrottung retten...

Wäre auch ein spannendes Thema für ein Modell... ;) :P

Grüße

Clemens
Antworten