Seite 1 von 2
Jenbacher Kompressor
Verfasst: Mo 5. Nov 2018, 07:14
von wolfgangmarek
Grüss Gott, mein Neuzugang: Jenbacher Kompressor Luftgekühlt-- die nächste Winterarbeit--ein Bekannter der mit auf der Ausstellung in der Domäne Groschwitz war sagte mir, dass sein Bruder einen JW bekommen hat, Interesse?: na Klar- jetzt habe ich Ihn... Gruss Wolfgang
Re: Jenbacher Kompressor
Verfasst: Mo 5. Nov 2018, 08:51
von motorenbau
Hallo
Ein JW 220 KL?
Gruß
Christian
Re: Jenbacher Kompressor
Verfasst: Mo 5. Nov 2018, 09:23
von wolfgangmarek
Grüss Gott, richtig- Baujahr 1964- Hast du Unterlagen?... Gruss Wolfgang
Re: Jenbacher Kompressor
Verfasst: Mo 5. Nov 2018, 09:58
von motorenbau
Hallo
Ich glaube schon, aber noch nicht gescannt...
Gruß
Christian
Re: Jenbacher Kompressor
Verfasst: Do 8. Nov 2018, 12:40
von bolzendreher
Hallo Wolfgang,
hättest evtl. Interesse an einem 2.ten als Teileträger? mein Kollege möchte seinen vermutlich verschrotten, der Motor geht immer wieder fest, wenn er ne Zeit lang läuft, und er braucht Öl.
Kann nachher mal schauen was für einer es ist, und was er will.
Grüße
Clemens
Re: Jenbacher Kompressor
Verfasst: Do 8. Nov 2018, 18:18
von wolfgangmarek
Grüss Gott, Danke für dein Angebot, aber ich habe noch einen Wassergekühlten Jenbacher im Rückhalt... Danke Gruss Wolfgang
Re: Jenbacher Kompressor
Verfasst: Fr 9. Nov 2018, 06:32
von bolzendreher
Hallo zusammen,
das sind ja irgendwie 2-Kolben Motoren, einer zum antreiben und einer zum Pumpen, und alles in einem Gehäuse, ist das richtig?
Muss ihn mir doch noch mal genauer anschauen...
Grüße
Clemens
Re: Jenbacher Kompressor
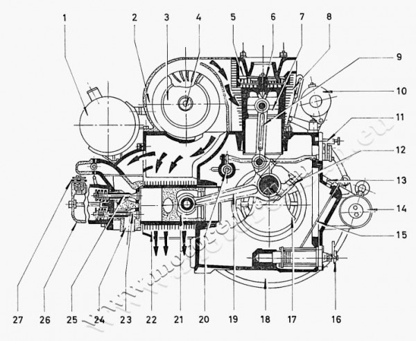
Verfasst: Fr 9. Nov 2018, 07:51
von motorenbau
Hallo
Schon mal zur Einstimmung auf die Bedienungsanleitung vom Jenbach JW220KL:

- Schnittbild Jenbach Dieselkompressor JW 220 KL
- JW220KL.jpg (77.84 KiB) 4723 mal betrachtet
Der liegende Zylinder ist der eigentliche Dieselmotor, der stehende ist der Kompressorzylinder.
Gruß
Christian
Re: Jenbacher Kompressor
Verfasst: Fr 9. Nov 2018, 07:55
von motorenbau

- JW220KL Beschreibung.jpg (101.21 KiB) 4722 mal betrachtet
Re: Jenbacher Kompressor
Verfasst: Fr 9. Nov 2018, 09:28
von bolzendreher
Hallo Christian,
danke für die Infos.
Hm, dann muss ich ihn vielleicht doch noch selbst vor der Verschrottung retten...
Wäre auch ein spannendes Thema für ein Modell...
Grüße
Clemens